Since I published the paper about a TWT power supply at the 96 EME
conference in USA, I have continued the work and gained some new
experiences. I want to present here some of the things that I have
learned in the mean time.
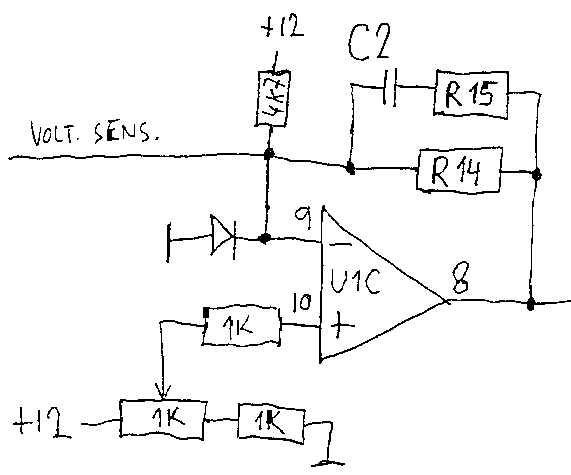
1. The original schematic contains an error in the circuit around U1C,
the voltage regulation amplifier. Actual circuits are shown in fig 1.

Fig 1a regulated negative voltage

Fig 1b unregulated
The first circuit is for a regulated negative voltage, and the second
for unregulated (fixed duty cycle, except for soft start) converter.
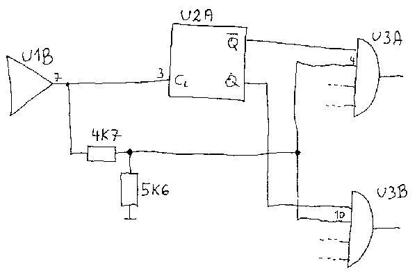
2. Depending on the switching thresholds of the CMOS logic, a nasty
glitch can appear at the output of the AND gates. It can be removed by
level shifting one of the inputs with two resistors, fig 2.

Fig 2 Glitch elimination
3. The transformer configuration that I have proposed in the original
paper (secondary sandwiched between two layers of primary) is very
bad. I have chosen it on the basis of discussions with some SMPS
designers that have told me that the most important thing is to reduce
the stray inductances. That is true for low-voltage supplies, but in a
HV supply, the main problems are stray capacitances and corona
discharge.
In terms of stray capacitance, the thing you must minimise is the
amount of energy (U^2 * C/2) stored in it, that has to be pumped in
and out every cycle. Since the stray capacitance is distributed all
around, it is important to reduce it in the places where high AC
voltages exist. Or even better, (because energy increases with
voltage squared and only linear with the capacitance) to reduce the AC
voltages at the places where most stray capacitance exists.
One of the ways to achieve this is to wind the transformer 'high',
that is, to use more layers with less turns per layer. For example, if
you double the number of layers and reduce the number of turns per
layer in half (Figure 3), the stored energy is almost four times less!

Fig 3. Winding the transformer 'high'
Also, it is good to design the transformer so that parts with high AC
voltage are facing outwards. If a rectifier layout as in fig 4 is used,

Fig 4. HV rectifier circuit
the center of the secondary winding is AC-wise 'cold'. Then, if the
transformer is wound as shown in fig 5, (primary between two layers of
secondary or two legs with secondary on top)


Fig 5. High voltage transformer configurations
there will be no AC over
the primary/secondary insulation. The choke is also wound on two legs
of an U-core. The wires carying AC (those connected to the diodes) are
on the top side of the windings and the wires with no AC (those
connected to the capacitor) are on the bottom. Note that the
orientation of the windings is also important, as is shown by the dots
on the schematic. Depending on the direction of the windings, it is
sometimes necessary to invert one of the coils on the core,
to simultaneously satisfy both requirements.
Another trick that can help is to divide the secondary in several
sections, each with its own rectifier, as I have done in my original
design. However, there are many variables and possible configurations
of this circuit, not all of them good!
Corona appears at places where high AC fields are present, that is
also where most of the capacitive energy is stored. So the same
measures that reduce stray capacitance problems also reduce corona
problems. In the single leg design of the transformer, corona will
tend to appear inside the coil, between the coil former and the core,
and if the winding is too high, at the place where it comes close to
the other leg. In the two leg design, corona will appear only in the
middle, between the two windings. Corona can also appear between the
two coils of the choke. To fight corona, I have in both cases inserted
PTFE sheet between the coils and filled the remaining space with
silicone.
It is important to fill all the space, since corona will appear in air
pockets and eat away at the insulation.
4. I have found out that it is very hard to achieve PWM voltage
regulation in a high voltage low current supply without using BIG
(tens of watts) bleeder resistors. Because of the parasitics, the
capacitors tend to peak charge if there isn't enough load current.
Therefore, I will change my design so that for the helix supply,
where the current is low and the regulation is important, I'll use
a fixed duty cycle converter with a pre-regulator. This way, voltage
multiplication with diode/capacitor networks is also posssible,
reducing problems with the transformer. (Well, NOW I REALLY KNOW why
most of the other guys do it this way :-).
I haven't yet finished this version, so I cannot give the schematics
here - but I must leave something for the next conference anyway, HI.
Reference:
Marko Cebokli: A TWT POWER SUPPLY, '96 EME conference Bowie MD, USA